English version

VF generátor Tesla BM368

     VF generátor BM368 vyráběla československá Tesla n. p. Brno v 60. a 70. letech 20. století. Jedná se o přenosný zdroj vf napětí od 100kHz do 30MHz s možností vnitřní či vnější modulace. Je určen pro opravy, slaďování a testování rozhlasových přijímačů. Lze ho použít při laboratorních měřeních v radiotechnice, opravách zařízení u zákazníka i dílenských měřeních. Výstupní vf napětí lze nastavit od 0,5uV do 50mV v pěti rozsazích. Toto napětí může být nemodulované, modulované externím signálem (pro hloubku modulace 30% je potřeba přivést na vstup nf signál cca 1,5V o frekvenci 200Hz - 10kHz) nebo modulované vnitřním signálem 400Hz (+/- 10%) sinusového průběhu se zkreslením do 5%, s hloubkou modulace 25-35%. Kromě výstupu vf signálu s nastavitelnou amplitudou je k dispozici ještě výstup s nenastavitelnou amplitudou mezi 0,3V - 1V. Přístroj je vybaven ručkovým měřícím přístrojem zobrazujícím velikost vf napětí a kontrolkou indikující zapnutí.

     Kmitočtový rozsah: 100 kHz - 30 MHz v pěti rozsazích:
I. 100 kHz - 300 kHz
II. 300 kHz - 900 kHz
III. 900 kHz - 2,7 MHz
IV. 2,7 MHz - 8,5 MHz
V. 8,5 MHz - 30 MHz

     Přístroj je osazen elektronkami:
1x vf pentoda 6F32 (pozdější kusy osazeny sovětskou elektronkou 6Ž1P)
1x doutnavý stabilizátor 14TA31 (pozdější kusy osazeny východoněmeckou StR 75-60)
1x dvoucestný usměrňovač EZ80 (pozdější kusy osazeny polovodičovým usměrňovačem se dvěma křemíkovými diodami KY705)
2x dvojitá vf trioda ECC84

     Přístroj se napájí ze síťového napětí 120V nebo 220V 50Hz. Volič má i neoznačenou polohu 230V, viz obrázky níže, která pomůže omezit nadměrné sekundární napětí transformátoru a přežhavování elektronek při provozu z moderní sítě jmenovitých 230V. Udávaný příkon je cca 30VA, váha asi 7,5kg a rozměry 210 x 265 x 155 mm.


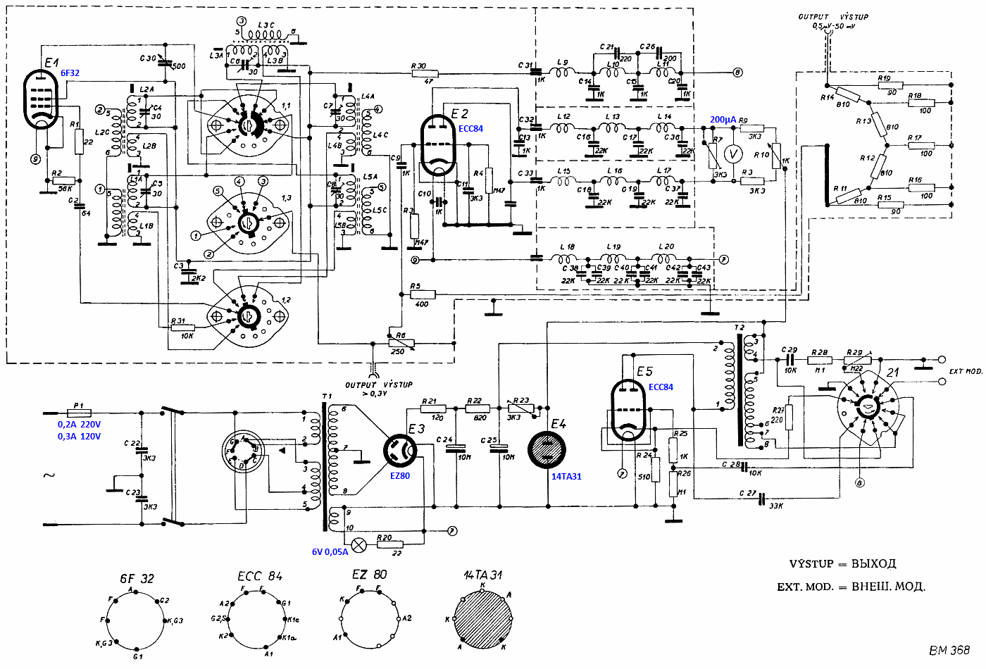
VF generátor Tesla BM368 - schéma (verze ještě s usměrňovací lampou EZ80)


VF generátor Tesla BM368 - přední panel (verze s popisky v ruštině, existovaly i verze v češtině a angličtině).


VF generátor Tesla BM368


VF generátor Tesla BM368 zezadu


VF generátor Tesla BM368 zboku


Tesla BM368 - vstup sítě, pojistka a volič síťového napětí


Tesla BM368 - volič síťového napětí v neoznačené poloze pro 230V (dva kroky doprava od pozice 220V)


Tesla BM368 - hodnoty pojistky (zde jsou nižší, než ve verzi s lampovým usměrňovačem)


Tesla BM368 - štítek


Tesla BM368 - zavřená a otevřená dvířka výstupu s vysokou amplitudou (přes 0,3V) a vstup vnější modulace


Tesla BM368 zespodu


Otevřený VF generátor Tesla BM368 zespodu - zdroj a nf oscilátor / modulátor s ECC84. Původní usměrňovací elektronku EZ80 už ve výrobě nahradili dvěma diodami KY705, jedná se tedy a jeden z později vyrobených kusů, už téměř polovina 70. let.


VF generátor Tesla BM368 zespodu s viditelnými knoflíky na předním panelu.


Detail drobných součástek zespodu přístroje Tesla BM368. Malý elektrolytický kondenzátor 20uF 6V ve schématu není.


Zadní strana odkrytovaného BM368. Dole je vstup sítě, pojistka a volič 120/220V.


Obvody BM368 ve stíněném prostoru - VF oscilátor se sovětskou elektronkou 6Ž1P (6Ж1П) (dřívější kusy používaly 6F32) vlevo a elektronkou ECC84 v obvodu voltmetru vpravo. Uprostřed je velký ladící kondenzátor 500pF.


Tesla BM368 - detail VF oscilátoru s 6Ž1P, přepínačem 5 rozsahů, cívkami a dolaďovacími kondenzátory.


Tesla BM368 - detail obvodů voltmetru s ECC84 (na tomto obrázku má nasazený kryt).


Stíněný prostor BM368 pohled šikmo.


Stíněný prostor BM368 pohled šikmo.


BM368 - odkrytované filtry v horní části přístroje.


BM368 - odkrytované filtry. Je vidět cívky a polyesterové a slídové kondenzátory.


BM368 - odklopený přední panel.


BM368 - za předním panelem.


Tesla BM368 - obálka vnitřně modulovaného signálu (na osciloskopu Tesla BM556, 1ms/div).


Video z opravy (anglicky)



Přidáno: 30. IX. 2024
zpět na úvodní stránku