BM410 noise generator was manufactured by Czechoslovak Tesla national enterprise in Brno about in the 1960s and 1970s.
The device is intended for measuring the sensitivity and noise figure of receivers and RF amplifiers in the frequency range from 100 kHz to 250 MHz.
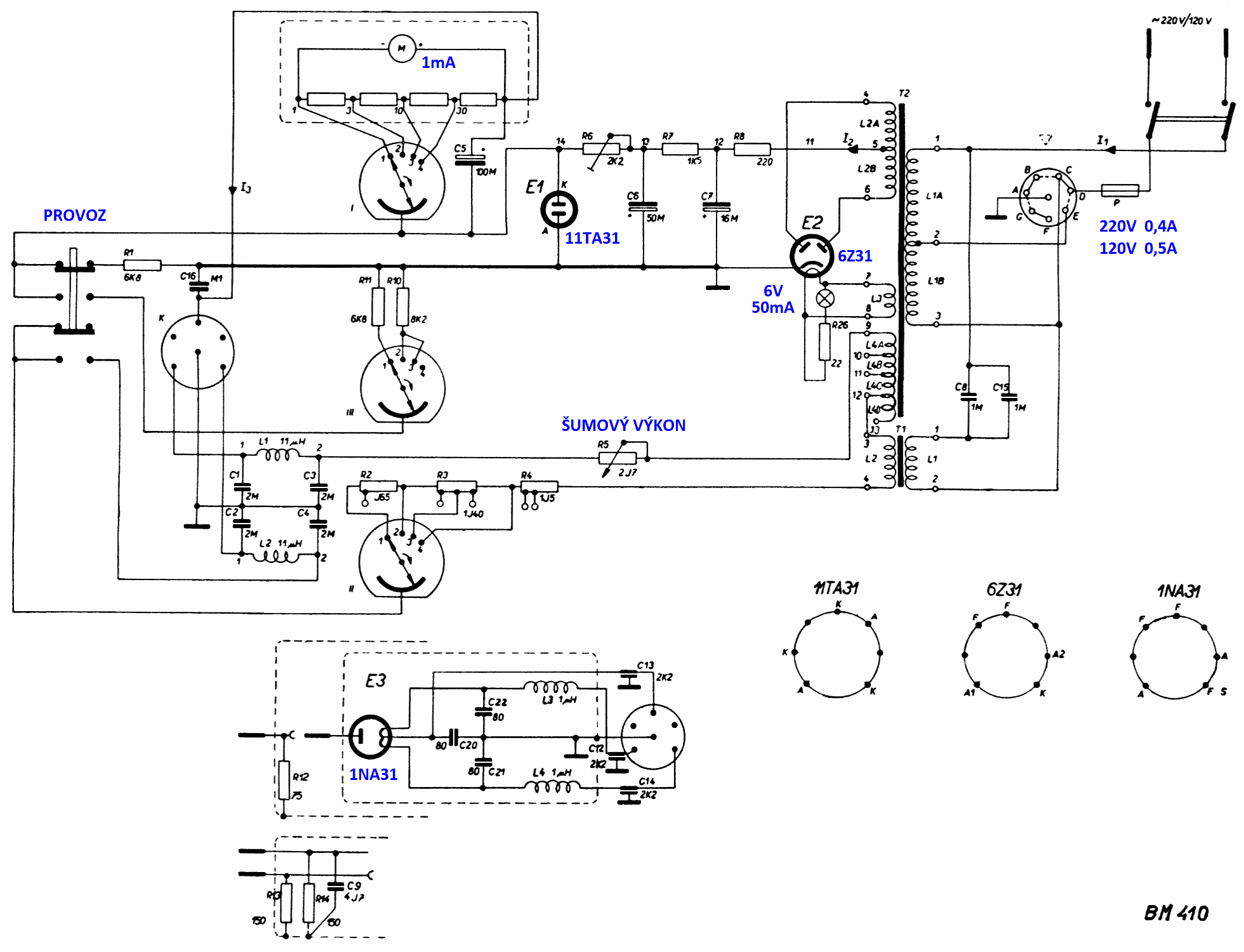
It creates noise of a continuous frequency spectrum. The noise source of the BM410 generator is a directly heated vacuum noise diode with a tungsten filament,
operating in a saturated current region. The regulation of the noise power is carried out by changing the heating power (gradual and continuous regulation).
The heater voltage of the noise diode is stabilized by a magnetic stabilizer, the anode voltage by a glow regulator (the positive pole of the anode supply is grounded).
On the front panel there is a light indicating power on (6V 50mA telephone bulb), a power switch, a button for turning on the noise source,
a switch for step regulation and a potentiometer for continuous regulation of noise power, an analog meter calibrated in units of
noise power (kTo) and in dB and a connector for connecting the probe.
The Tesla BM410 noise generator is powered from 120V/220V 50Hz mains (the voltage selector is on the back wall).
The specified power consumption of the device is 60VA, the weight is about 7kg and the dimensions are 260 x 200 x 150 mm.
It is equipped with tubes: 6Z31 (two-way rectifier), 11TA31 (voltage stabilizing discharge lamp), 1NA31 (noise diode) located in the probe.










