Elektronika 6.15M (Электроника 6.15М) alarm clock was produced in USSR in late 1980's.
It was built with flat 4-digit 7-segment VFD display IVL1-7/5 (ИВЛ1-7/5) or ILC4-5/7L (ИЛЦ4-5/7Л) with 21mm high digits.
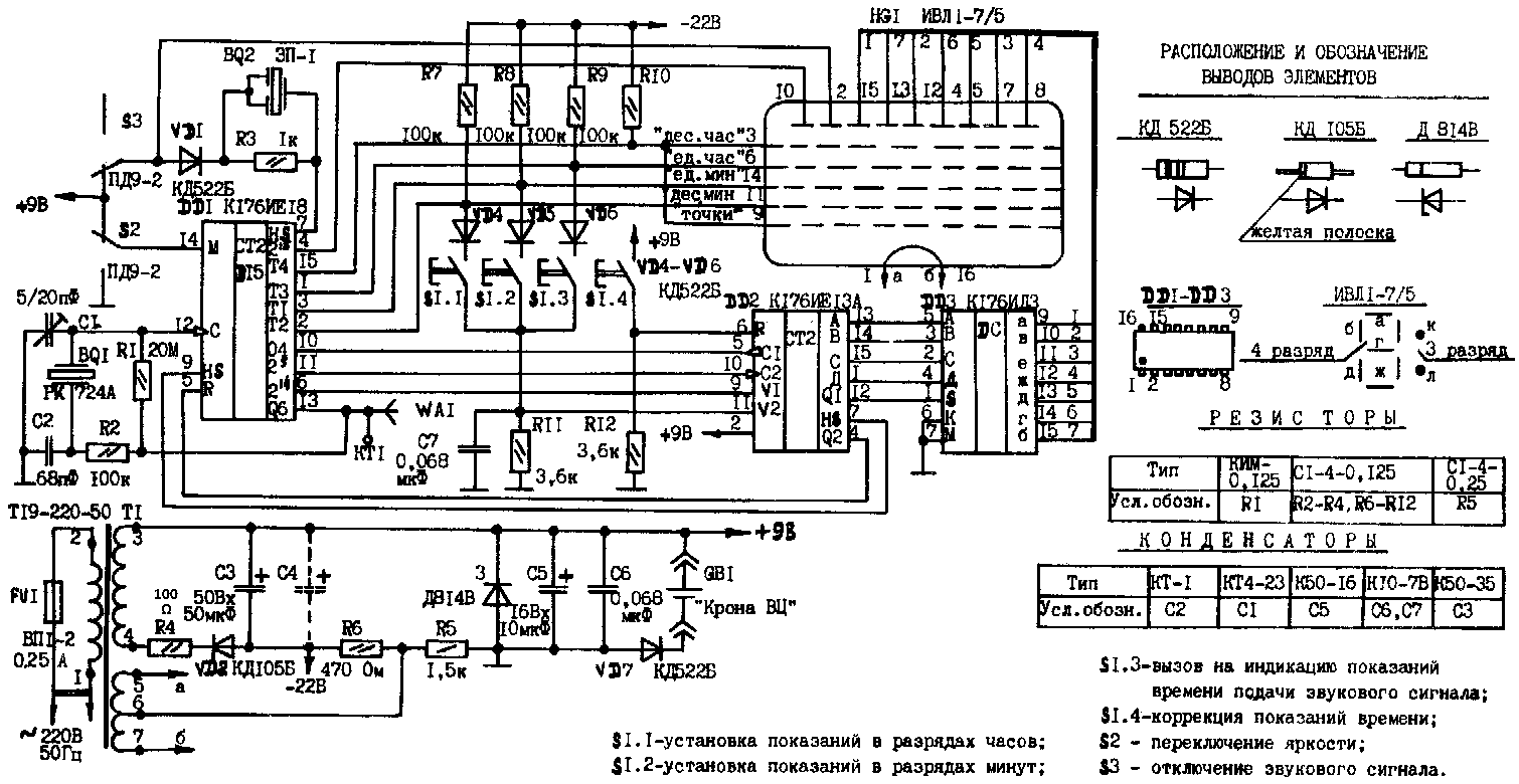
The schematic is almost identical with Elektronika 6.15, but mechanical construction is different.
Integrated circuits (CMOS):
K176IE18 (К176ИЕ18) - Crystal oscillator and prescaler.
K176IE13 (К176ИЕ13) - Clock circuit (24h mode, 4-digit).
K176ID3 (К176ИД3) - BCD to 7 segment decoder.
The clock is controlled by 32768 Hz crystal. I measured the power consumption to be cca 2W.
The original price of the clock was 45 Rubles.
Control buttons (top to bottom):
1. "Alarm ON/OFF" - This slide switch enables / disables alarm. When the alarm is enabled, a dot or bell symbol at the top of the display lights up.
2. "Brightness selector" - Slide left/right to set low or high brightness.
3. "Reset minutes" - This will set minutes to 00. Pressing this button is required before setting the time.
4. "Display alarm" - While holding this button, use buttons 5 and 6 to set alarm.
5. "Set hours"
6. "Set minutes"
Common failure is one of the three CMOS IC's. Electrolytic capacitors also may
dry out or the VFD display may wear out (brightness declines or gets uneven). The clock is built for 220V mains. In 230V or 240V countries
the cathode (heater filament) can suffer from overvoltage (nominal voltage is 5V~). This can be solved adding a resistor (2R2 to 4R7) in series with the heater filament.





