English version

Měřič indukčností a kapacit Tesla BM366

     Měřič LC BM366 vyráběla československá Tesla n. p. Brno od konce 50. let do 70. let 20. století. Díky malým rozměrům a nízké váze je vhodný pro dílenskou a opravárenskou praxi, ale i pro laboratorní měření. Přístroj pracuje na rezonančním principu. Měřená indukčnost nebo kapacita tvoří spolu s vestavěnou kapacitou nebo indukčností kmitavý obvod, na který se přivádí vf napětí proměnného kmitočtu. Při naladění oscilátoru na kmitočet, který odpovídá rezonančnímu kmitočtu kmitavého obvodu, ukáže ručkové měřidlo nějvětší výchylku. Ladicí kondenzátor má stupnici cejchovanou v hodnotách kapacit a indukčností. Přepínačem se volí, zda měříme indukčnost (Lx) či kapacitu (Cx). Měřená indukčnost se připojuje mezi svorky Lx a zem, kapacita mezi svorky Cx a zem (přímo, nebo pomocí přívodů). Kapacitu přívodů je možné vykompenzovat trimrem Co, umístěným v levé boční stěně. Přepínač rozsahů nastavte na rozsah odpovídající předpokládané hodnotě měřené součástky. Knoflíkem laďte oscilátor. Při konečném doladění oscilátoru do rezonance je potřeba, aby nula indikátoru byla uprostřed stupnice v okolí červené tečky s nápisem "max". K tomu je potřeba nastavit vhodně citlivost. Potenciometr citlivosti je spřažen se síťovým vypínačem. Na předním panelu je kontrolka indikující zapnutí (telefonní žárovka 6V 50mA). Napájí se ze střídavé sítě 120V/220V 50Hz (volič napětí je na zadní stěně). Udávaný příkon přístroje je 15W, váha asi 5,2kg a rozměry 260 x 190 x 145 mm.

     Měření indukčností v 5 rozsazích:
I.: 0,02 uH - 2,5 uH
II.: 2,5 uH - 12,5 uH
III.: 12,5 uH - 100 uH
IV.: 100 uH - 1 mH
V.: 1 mH - 10 mH

     Měření kapacit ve 4 rozsazích:
I.: 0 pF - 100 pF
II.: 100 pF - 1000 pF
III.: 1000 pF - 10 nF
IV.: 10 nF - 100 nF

     Přístroj je osazen elektronkami:
1x strmá vf pentoda 6F32
1x dvojitá trioda 6CC31
1x dvoucestný usměrňovač 6Z31


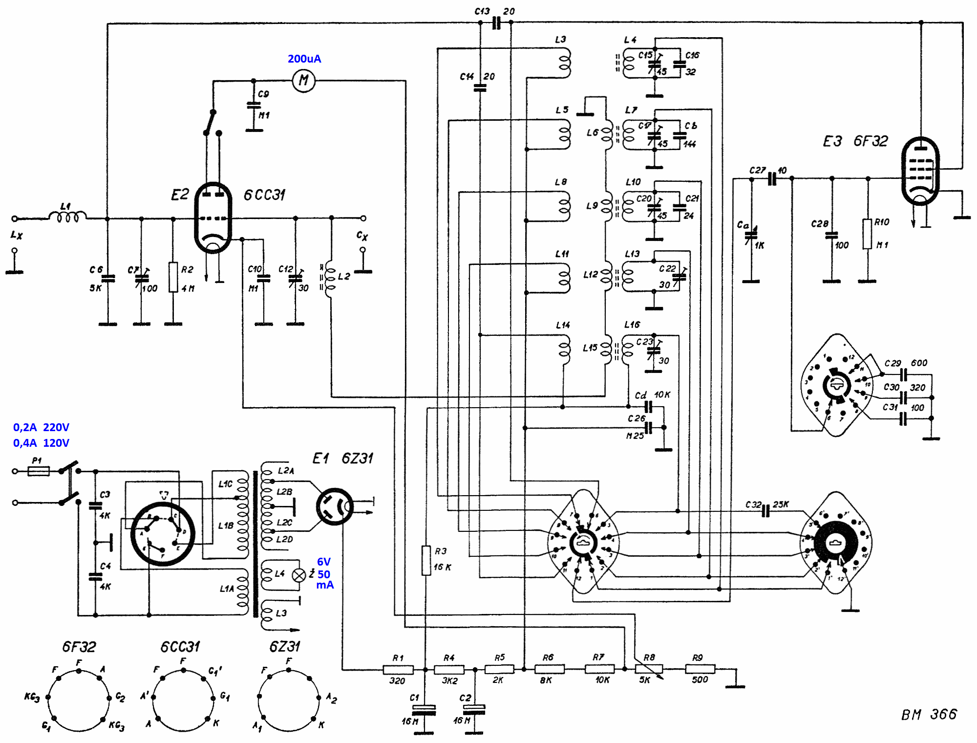
Měřič indukčností a kapacit Tesla BM366 - schéma I (starší verze - hodnoty ještě z řady R10, na L15 není paralelní odpor).


Měřič indukčností a kapacit Tesla BM366 - schéma II (novější verze - hodnoty již z řady E24, na L15 přidán paralelní odpor).


Měřič LC Tesla BM366 v provozu po restaurování - měření kapacity.


Měřič LC Tesla BM366 v provozu po restaurování - měření indukčnosti. Další fotky jsou před a během restaurování.


Měřič indukčností a kapacit Tesla BM366 - přední panel (verze s popisky v češtině, existovala také verze v angličtině a možná i ruštině).


Měřič indukčností a kapacit Tesla BM366. Kdosi vyměnil jednu zdířku za jinou.


Měřič indukčností a kapacit Tesla BM366 zprava.


Měřič indukčností a kapacit Tesla BM366 zleva.


Měřič indukčností a kapacit Tesla BM366 - ručkové měřidlo.


Měřič indukčností a kapacit Tesla BM366 zezadu.


Měřič indukčností a kapacit Tesla BM366 zezadu detail - volič síťového něpětí, pojistka a vstup sítě.


Výrobní štítek BM366.


Tesla BM366 zespoda.


Odkrytovaný měřič indukčností a kapacit Tesla BM366.


Tesla BM366 - šasi po sejmutí krytů elektronek. Vlevo je vidět zdroj - síťový transformátor, usměrňovací lampu 6Z31 a vyhlazovací kondenzátor 16 + 16 uF. Uprostřed je ladící kondenzátor. Vpravo jsou lampy 6F32 a 6CC31, ručkový přístroj, C9+10 a přepínač L / C.


Tesla BM366 - šasi ze strany zdroje.


Tesla BM366 - šasi ze strany elektronek a ručkového měřidla.


Tesla BM366 - šasi zespodu.


Tesla BM366 - detail šasi zespodu.


Tesla BM366 - šasi zespodu - detail oblasti u měřících zdířek.


Tesla BM366 - šasi zespodu - detail oblasti u pojistky, vstupu síťového napětí, potenciometru s vypínačem, odrušovacích kondenzátorů, C26 a srážecích odporů.


Tesla BM366 - šasi zespodu. Ve střední části je vidět přepínač rozsahů a laděné obvody - cívky a kondenzátory pro jednotlivé rozsahy.


Odklopený přední panel, před výměnou potenciometru citlivosti


Odklopený přední panel, po výměně potenciometru citlivosti. Při té příležitosti jsem vyměnil i zdířky, aby byly všechny 3 stejné.


Video z průběhu opravy a restaurování (anglicky).



Přidáno: 11. X. 2024
zpět na úvodní stránku